O nouă specie - vanele rotative Danfoss HFE
Noile vane rotative de la Danfoss sunt create pentru reglarea debitului și temperaturii în sistemele de încălzire, în care un anumit nivel de scurgeri poate fi acceptat, și pentru care nu este necesară definirea caracteristicii de control.
100% siguranță la punerea în funcțiune cu indicator vizibil pentru poziția vanei
Danfoss a creat un indicator unic de poziție pentru o instalare și o punere în funcțiune mai ușoare. Indicatorii pentru poziția vanei sunt creați pentru a fi vizibili de sus sau dinn lateral, cu sau fără servomotor montat pe vană. Datorită acestei caracteristici, se economisește timp la instalarea și punerea în funcțiune a vanei.
Cea mai scăzută clasă de scurgere
Datorită noului design avansat al vanei, noile vane rotative de la Danfoss au cel mai
scăzut nivel de scurgere din clasa de produse. Pentru zero scurgeri și control premium,
Danfoss recomandă iMCV™ – noua generație de vane de
control motorizate inteligente. iMCV™ include și funcția antioscilații, instalarea fără instrumente, un servomotor pentru
DN 15 până la 80 și design anti scurgere.
Aplicație tipică cu cazan
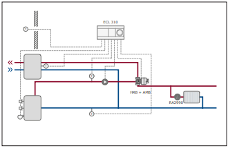
Aplicație tipică de prioritizare / deviere
Vanele rotative HFE 3 r
Corp din fontă cu conexiune cu flanșă
• Cele mai reduse scurgeri din clasa de produse
• •Indicator de poziție a vanei
• Pentru aplicații de amestec sau deviere
Vanele rotative HFE pot fi foliste în combinație cu servomotoarele electrice AMB 162 și AMB 182.
| Diametru nominal | DN | 20/25/32/40/50/65/80/100/125/150 |
| kVS | m3/h | 12/18/28/44/60/90/150/225/280/400 |
| Caracteristici control | caracteristici S | |
| HFE 3 | Deviere: max. 0.5% din kVS / Amestec: max. 1.0 % din kVS | |
| Scurgeri | HFE 3 | Deviere: max. 0.5% din kVS / Amestec: max. 1.0 % din kVS |
| Presiune nominală | PN | 6 |
| Presiune max .de închidere | bar | 0.5 |
| Cuplu at PN | Nm | Interval DN 20-65=5 | Interval 80-125=10 | Interval 150=15 |
| Mediu | Circulaţie apă /apă cu glicol până la 50% | |
| pH mediu | Min 7, Max 10 | |
| Temperatură mediu | °℃ | 2...110 |
| Conexiuni | Flanță PN6 | |
| Materiale | ||
| Saboți alunecare | CuZn36Pb2As (AlamăDZR, CW 602N) | |
| Sigiliu presgarnitură | EPDM |
| Type | DN | Kys (m³ /h ) | PN | Cod HFE 3 |
| HFE 3 | 20 | 12 | 6 | 06520428 |
| HFE 3 | 25 | 18 | 6 | 065Z0429 |
| HFE 3 | 32 | 28 | 6 | 065Z0430 |
| HFE 3 | 40 | 44 | 6 | 065Z0431 |
| HFE 3 | 50 | 60 | 6 | 065Z0432 |
| HFE 3 | 65 | 90 | 6 | 065Z0433 |
| HFE 3 | 80 | 150 | 6 | 065Z0434 |
| HFE 3 | 100 | 225 | 6 | 065Z0435 |
| HFE 3 | 125 | 280 | 6 | 065Z0436 |
| HFE 3 | 150 | 400 | 6 | 065Z0437 |
| CARACTERISTICI GENERALE | |
| Producător | DANFOSS |
| CARACTERISTICI | |
| Greutate | 4.72 kg |
| Debit | 18 m³/h |
| Versiunea de montaj | TUR |
| Presiune diferențială de închidere (amestec) [bar] [Max] | 0.5BAR |
| Presiune diferențială de închidere (distribuție) [bar] [Max] | 0.5BAR |
| Agent de lucru alternativ | Apă cu glicol până la 50% |
| Temperatura maxim admisa | 110 °C |
| Racord conducta | DN25 |
| DATE TEHNICE | |
| Produs | Vană Danfoss HFE 3 PN6 25/18 rotativă 3 căi flanșe |
| Tipuri de conexiuni | Flanse |
| Diametru | 25 mm |


